13712105558 18926848556
欢迎进入东莞京伦电子有限公司官网
|
收藏本站
|
在线留言
|
联系我们
30年一站式电位器、编码器、开关制造商
京伦首页
|
波段开关
|
电位器
|
编码器
|
产品中心
|
荣誉资质
|
新闻动态
|
关于我们
|
联系我们
|
京伦首页
>
产品中心
>
SR17波段开关
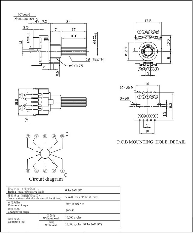
产品名称:SR17波段开关,精灵电子专供 车载导航仪开关,多档位波段开关
SF17 规格书
阿里巴巴
台湾官网
一键分享:
规格参数
品牌
GENIUS台湾精灵
型号
SR17波段开关
段位数
1-12段
工作电压
30(V)
触点闭合电阻
20m(Ω)
常态绝缘电阻
500(MΩ)
寿命
10000(次)
采购:
SR17波段开关,精灵电子专供 车载导航仪开关,多档位波段开关
联系人:
手机:
公司名:
邮箱:
说明:
提交
在线客服
手机:13712105558
电话:0769-85427166
传真:0769-85303373